厦门新锐复材科技有限公司
Xiamen Carbonician Composite Tech Co., LTD
中文 | English
 
Home
About Us
Rims
  23mm width 700c rim
  25mm width 700c rim
  27mm width 700c rim
  29mm wide 700c rim
  Spoke Wheel
  Disc Wheel
  650C rims
  26ER Rim
  27.5ER Rim
  29ER Rim
  Small Size Rims
  Gravel Rims
  Fatbike rim
  31mm wide 700c rims
Wheels
Online shop
Carbonician
Technology
Contact Us
 
Home > Products  > 26ER Rim
Product Name: 26er 24mm wide
Product Category: 26ER Rim
Product Description:


Specification
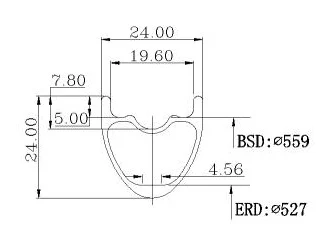
Name: 24mm wide 26er tubeless rim, depth 24mm
Model: RM26er-24
Weight:

T700 version:270+/-10g;  

T800 SL version: 230+/-10g

ERD: 527mm
Rim Width: 24mm
Rim Depth: 24mm
Max tire pressure: 60psi
Max spoke tension: 180kgf
Appearance: 3k/UD/12K, glossy or matt
Logo: no logo, or customlized logo.
Holes: 24/28/32h, external holes or internal holes
Warranty time: 2 years
Max rider's weight: No limit
Material:

T700 version: 100% Japan T700 carbon fiber+high temperature resign

T800 version: 100% Japan T700&T800 mixed carbon fiber+high temperature resign

Tubeless ready: Yes


Rims drawing:



Rims drawing:

awing:



 


COPYRIGHT©Xiamen Carbonician Composite Tech Co., LTD All RIGHTS RESERVED.
Address: Floor 5th, No.32th, DongKeng She,XinDian Town, XiangAn District, Xiamen, Fujian, China.
Contact:Jerry Young; Email:sales@carbonician.com; Cell:0086-15880216756
Web:www.carbonician.com
Email:info@carbonician.com
Tel:86-15880216756